+7 (499) 702-01-13
+7 (499) 702-03-59
Пн-Пт с 9:00 до 18:00
Поиск бренда
Поиск модели
Каталог схем
STANLEY
Инструменты
Шлифовальное оборудование
Полировальные машины сетевые
SP137 (Type 1)
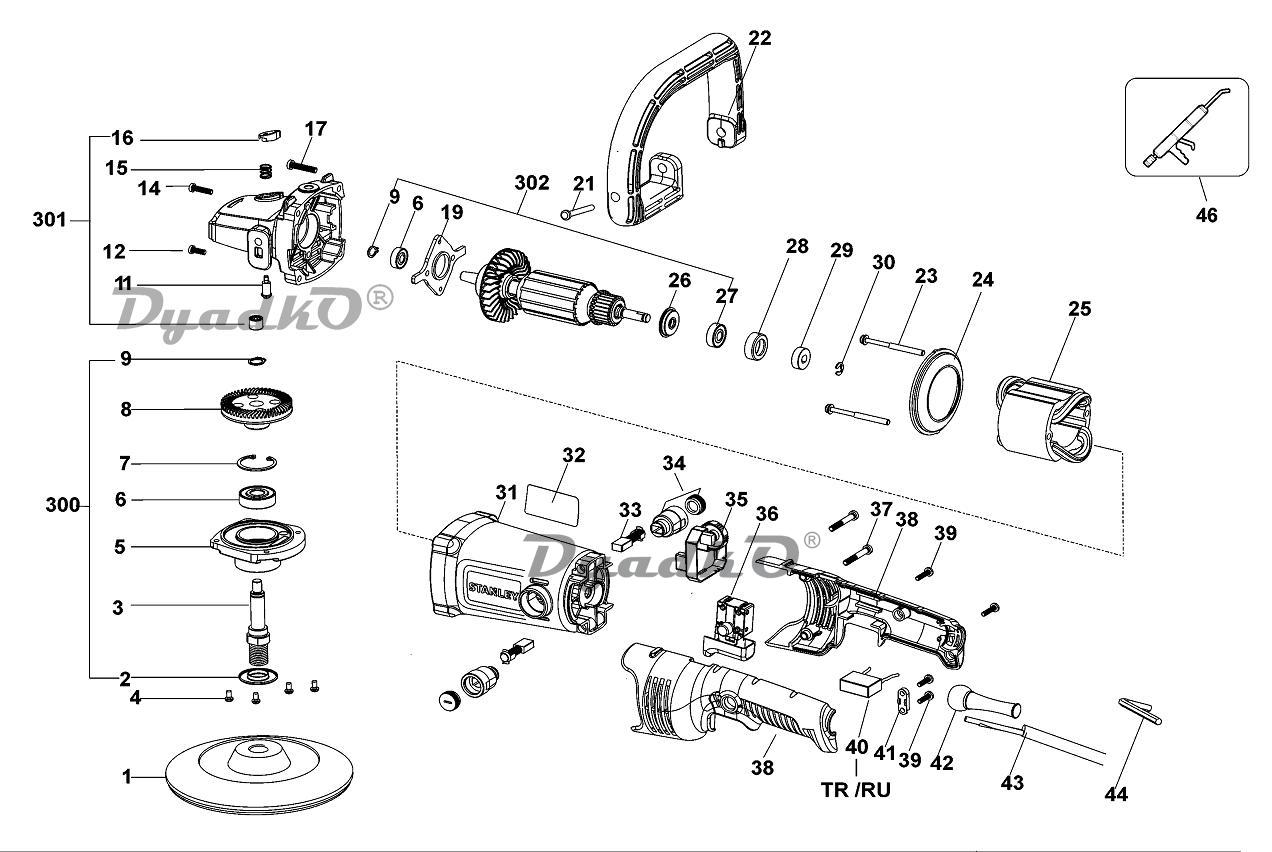
Схема STANLEY SP137 (Type 1)
1
ОПОРНАЯ ПОДУШКА В СБОРЕ; ;
2
ШАЙБА; ;
3
ШПИНДЕЛЬ В СБОРЕ; ;
4
ВИНТ; ;
5
КРЫШКА КОРПУСА РЕДУКТОРА; ;
6
ПОДШИПНИК; ;
7
СТОПОРНОЕ КОЛЬЦО; ;
8
ШЕСТЕРНЯ; ;
9
СТОПОРНОЕ КОЛЬЦО; ;
11
СТОПОРНЫЙ ШТИФТ; ;
12
ВИНТ; ;
14
ВИНТ; ;
15
ПРУЖИНА; ;
16
БЛОКИРОВОЧНАЯ КНОПКА; ;
17
ВИНТ; ;
19
ПЛИТА; ;
21
ВИНТ; ;
22
РУЧКА В СБОРЕ; ;
23
ВИНТ; SELF-TAPPING;
24
ОТРАЖАТЕЛЬ; ;
25
СТАТОР В СБОРЕ; ;
26
ИЗОЛИРУЮЩАЯ ШАЙБА; ;
27
ПОДШИПНИК; ;
28
ВТУЛКА; ;
29
КОЛЬЦО; ;
30
СТОПОРНОЕ КОЛЬЦО; ;
31
КОРПУС СТАТОРА; ;
32
ТАБЛИЧКА С ТЕХНИЧЕСКИМИ ДАННЫМИ; ;
33
ПАРА ЩЁТОК; ;
34
ЩЁТКА И ДЕРЖАТЕЛЬ В СБОРЕ; ;
35
УПРАВЛЕНИЕ В СБОРЕ; ;
36
ВЫКЛЮЧАТЕЛЬ; ;
37
ВИНТ; ;
38
РУЧКА В СБОРЕ; ;
39
ВИНТ; SELF-TAPPING 4*15;
40
КОНДЕНСАТОР; ;
41
ЗАЖИМ ШНУРА ПИТАНИЯ; ;
42
ЧЕХОЛ ШНУРА ПИТАНИЯ; ;
43
КОМПЛЕКТ ПРОВОДОВ; ;
44
ШЕСТИГРАННЫЙ КЛЮЧ; ;
46
КОНСИСТЕНТНАЯ СМАЗКА; ;
300
РЕДУКТОР В СБОРЕ; ;
301
КОРПУС РЕДУКТОРА В СБОРЕ; ;
302
ЯКОРЬ В СБОРЕ; ;