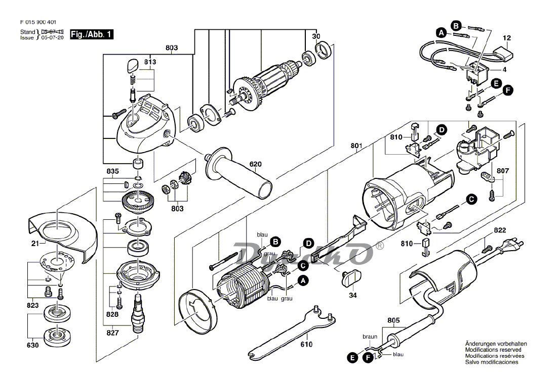
| 4 | Switch |
| 12 | Suppression Capacitor |
| 30 | Rubber Bushing |
| 34 | Switch Handle |
| 610 | Pin-Type Face-Wrench |
| 620 | Auxiliary Handle M10, Ø32,5x105 MM |
| 630 | Flange Kit |
| 801 | Motor Housing |
| 803 | Armature 230V |
| 805 | Power supply cord |
| 807 | Cable Clip |
| 810 | Carbon-Brush Set |
| 813 | Parts Set |
| 822 | Cover |
| 827 | Assembly Of Service Parts |
| 828 | Parts Set |
| 835 | Crown Gear |
| 1000 | Protective Cover |