+7 (499) 702-01-13
+7 (499) 702-03-59
Пн-Пт с 9:00 до 18:00
Поиск бренда
Поиск модели
Каталог схем
KRESS
Инструменты
Электроинструмент
Отбойные молотки
1300 ABH (04283902)
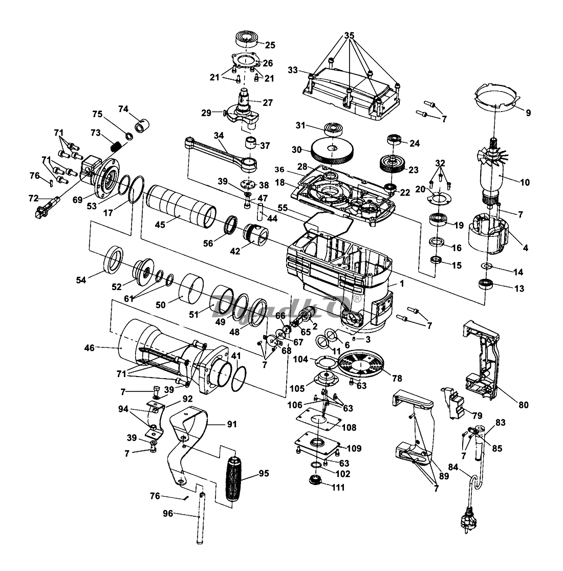
Схема KRESS 1300 ABH (04283902)
1
CASING
2
BRUSH HOLDER
3
SCREW M5X8
4
STATOR
6
RUBBER WASHER
7
SET SCREWS
9
AIR GUIDE
10
ARMATURE
11
WASHER
13
BALL BEARING
14
BEARING WASHER
15
DISTANCE RING
16
FELT RING
17
O-RING
18
BEARING COVER
19
BALL BEARING
20
BEARING COVER
21
SCREW M5X16
22
BALL BEARING
23
GEAR WHEEL
24
KUGELLAGER
25
BALL BEARING
26
BEARING COVER
27
CRANKSHAFT
28
DISTANCE RING
29
FEATHER KEY
30
GEAR WHEEL
31
BALL BEARING
32
SCREW M5 X 16
33
GEAR COVER
34
CONNECTING ROD
35
SCREW M6X45
36
SEALING
37
NEEDLE BEARING
38
CRANK WASHER
39
SPRING WASHER
41
O-RING
42
PISTON
44
BEARING BOLT
45
CYLINDER
46
ZYLINDERHEAD
47
SCREW M8 X 35
48
DAMPING- RING
49
LOCK SLEEVE
50
LOCK SLEEVE
51
FASTENER
52
CRANK SLEEVE
53
O- RING
54
DAMPING- RING
55
SEALING
56
O-RING
61
O -RING
63
SET SCREWS
65
CARBON BRUSH
66
BRUSH CAP
67
CAP
68
CAP COVER
69
FRONT COVER
71
SCREW M8 X 35
72
STOPPER LEVER
73
SPRING
74
BUSH
75
WASHER
76
STOPPER PIN
78
COVER
79
SWITCH
80
HANDLE PART A
83
RUBBER BUSHING
84
POWER-SUPPLY CORD
85
STRAIN RELIEF
89
HANDLE PART B
91
FASTENING BOLT
92
FASTENER
94
NUT M8
95
HANDLE
96
HANDLE SHAFT
100
OILFILLING
102
O- RING
104
SPACER
105
FASTENING BOLT
106
FELT SEALING
108
SEALING
109
COVER PLATE
111
OIL SIGHT GLASS