+7 (499) 702-01-13
+7 (499) 702-03-59
Пн-Пт с 9:00 до 18:00
Поиск бренда
Поиск модели
Каталог схем
FELISATTI
Инструменты
Электроинструмент
Отбойные молотки
H-10,5/1200EV (3780)
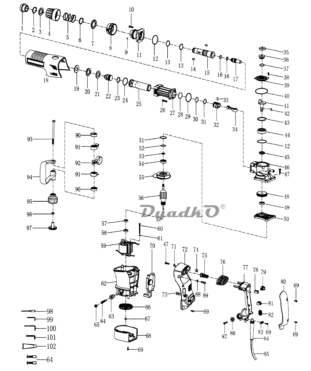
Схема FELISATTI H-10,5/1200EV (3780)
1
Колпачок пылезащитный
2
Кольцо пружинное Ø 28
3
Кольцо
4
Кожух
5
Пружина
6
Кольцо пружинное Ø32
7
Венец
8
Корпус венца
9
Шарик Ø6
10
Винт М8х30
11
Фланец
12
Кольцо резиновое Ø46,5х2
13
Кольцо резиновое Ø27,5х2
14
Сухарь
15
Букса
16
Кольцо резиновое Ø15,54х2,62
17
Проммасса
18
Кожух
19
Шайба демпферная
20
Демпфер Ø23х71,5х4,5
21
Кольцо Ø24,5х47х3,7
22
Боек
23
Кольцо резиновое Ø23х3,5
24
Кольцо резиновое Ø36х2
25
Ствол
26
Винт М6х25
27
Корпус ствола
28
Кольцо Ø32х1,5
29
Кольцо резиновое Ø44х2
30
Кольцо резиновое Ø22х4
31
Кольцо резиновое Ø24х1,8
32
Поршень
33
Палец поршневой Ø8х26
34
Шатун
35
Накладка
36
Пробка маслозакладная
37
Кольцо резиновое Ø20х2
38
Винт М4х12
39
Крышка редуктора
40
Кольцо резиновое Ø55х2,5
41
Кривошип
42
Шпонка 4х12
43
Кольцо пружинное Ø47
44
Подшипник шариковый 6303-2RS (17х47х14)
45
Манжета Ø18х30х6
46
Корпус редуктора
47
Винт 5,5х30
48
Колесо зубчатое
49
Подшипник шариковый 6001-2RS (12х28х8)
50
Промщит
51
Кольцо резиновое Ø31,5х2
52
Кольцо пружинное Ø32
53
Кольцо специальное
54
Подшипник шариковый NSK 6201DDu (12х32х10)
55
Диафрагма
56
Якорь
57
Кольцо магнитное
58
Подшипник шариковый NMB 608 (8х22х7)
59
Статор
60
Винт 4,8х58
61
Шайба Ø5
62
Корпус двигателя
63
Щеткодержатель
64
Щетка электрическая
65
Колпачок щеткодержателя
66
Вентилятор
67
Гайка М8х1х3,8
68
Крышка корпуса
69
Винт 4,2х16
70
Блок электронный
71
Шайба Ø5,5х12х1
72
Крышка задняя
73
Индикатор
74
Кольцо демпфера Ø9х14х9
75
Пружина демпфера
76
Оболочка демпфера
77
Ручка
78
Кнопка выключателя
79
Выключатель
80
Ручка накладка
81
Колодка клеммная
82
Дроссель
83
Планка крепления шнура
84
Трубка защитная шнура
85
Шнур питания с вилкой H07RN-F 2х1,0мм², L=4м
86
Шайба
87
Винт 5,5х25
88
Шайба Ø6
89
Винт М6х20
90
Шайба зубчатая
91
Держатель зубчатый
92
Хомут
93
Болт M8х130
94
Рукоятка
95
Маховик
96
Гайка М8
97
Крышка маховика
98
Отвертка
99
Ключ шестигранный S5
100
Ключ шестигранный S6
101
Ключ шестигранный S10
102
Тюбик со смазкой