+7 (499) 702-01-13
+7 (499) 702-03-59
Пн-Пт с 9:00 до 18:00
Поиск бренда
Поиск модели
Каталог схем
PATRIOT
Инструменты
Садовая техника
Триммеры электрические
ELT 1000 (250304430)
Схема PATRIOT ELT 1000 (250304430)
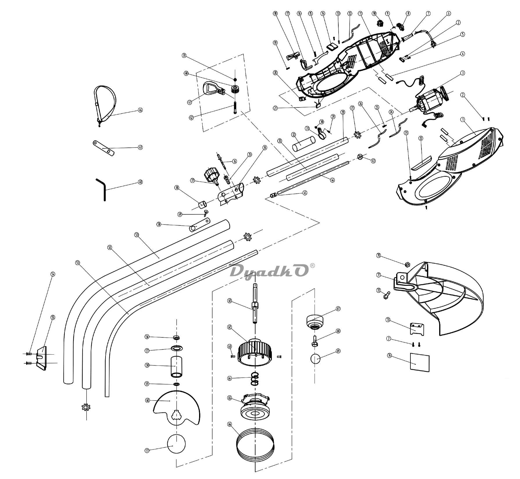
1
Корпус двигателя левый
2
Саморез 4*16
2,70-74
Защитный кожух в сборе
3
Двигатель
4
Анти-вибрационная подушка
5
Фиксатор шнура питания
6
Шнур питания
7
Оплётка шнура питания
8
Элемент шнура питания
9
Пружина
10
Клемма
11
Корпус двигателя правый
12
Кабель
13
Винт 3*12
14
Элемент (термозащита)
15
Курок газа
16
Элемент курка газа
17
Механизм включения
18
Курок включения
19
Элемент
20
Выключатель
21
Конденсатор
22
Накладка на корпус
23
Винт 5*10
24
Кабель 1
25
Элемент кабеля
26
Кабель 2
27,28,33,4 3-45
Штанга верхняя в сборе
27-45
Штанга верхняя в сборе
27
Стопорное кольцо
29
Болт
30
Гайка
31
Хомут
32
Резиновая накладка на штангу
33
Втулка верхнего вала
34
Соединительная муфта валов
35
Винт
36
Элемент заклёпки
37
Барашек муфты крепления валов
38
Заглушка
39
Гайка
40
Барашек крепления рукоятки
41
Ручка
42
Болт
43
Шайба
43-45
Трос верхней штанги
45
Соединительная муфта
46
Ремень
47
Гаечный ключ
48
Шестигранный ключ
49
Заклёпка
50
Пластина
51-61
Штанга нижняя в сборе
52
Втулка нижнего вала
53
Трос нижней штанги
54
Винт
55
Фиксатор
56-61
Втулка штанги в сборе
56
Подшипник
57
Шайба
58
Втулка редуктора
59
Шайба
60
Прокладка
61
Ось
62-69
Катушка триммерная
62
Верхняя часть триммерной катушки
63
Втулка
64
Пружина
65
Нижняя часть катушки
66
Леска
67
Барашек катушки
68
Гайка
69
Колпачок
71
Защитный кожух
72
Винт
73
Лезвие
74
Нож кожуха