+7 (499) 702-01-13
+7 (499) 702-03-59
Пн-Пт с 9:00 до 18:00
Поиск бренда
Поиск модели
Каталог схем
LIFAN
Инструменты
Двигатели
Бензиновые двигатели с вертикальным валом
1P68FV-C, 1P70FV-C
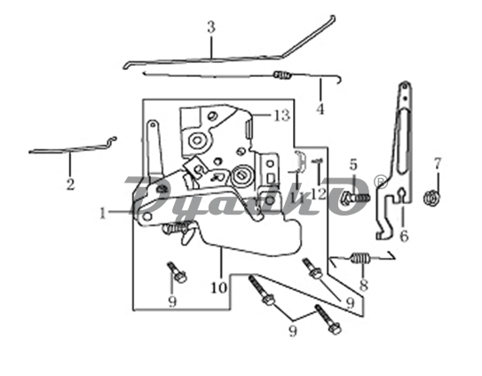
Схема LIFAN 1P68FV-C, 1P70FV-C 11. Регулировочный механизм
1
Regulating mount
2
Choke link (—)
3
Pulling rod
4
Fine regulating spring
5
Lock bolt
6
Regulating arm Assy V-/ w vwwwmAa
7
NutM6
8
Back spring
9
BoltM6X 12
10
Positioning plate
11
Clamp, choke link
12
Screw M6X 12
13
Regulating board
14
Wire clamp B