+7 (499) 702-01-13
+7 (499) 702-03-59
Пн-Пт с 9:00 до 18:00
Поиск бренда
Поиск модели
Каталог схем
CRAFTSMAN
Инструменты
Садовая техника
Пилы цепные бензиновые
350810 (358.350810)
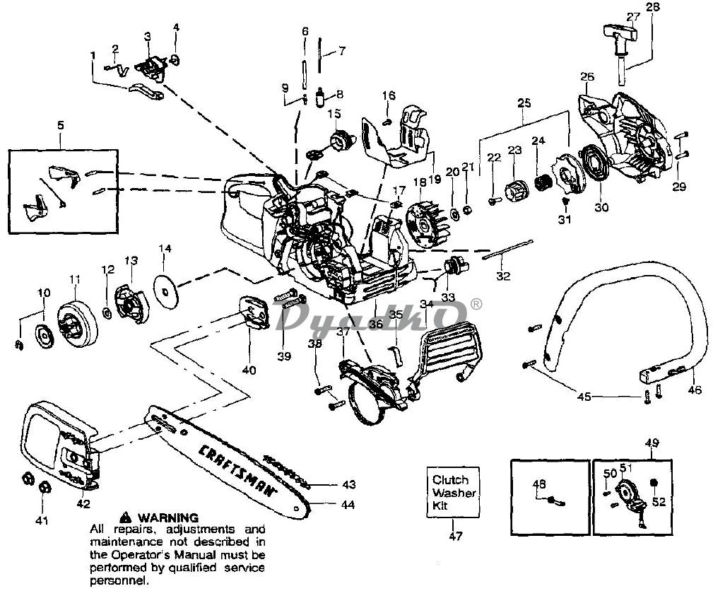
Схема CRAFTSMAN 350810 (358.350810) CHAIN/BAR/HANDLE/HOUSING
1
SHIELD - CYLINDER (INCLUDES. 2, 3)
2
SCREW
3
TAPE-REFLECTOR
4
MODULE-IGNITION
5
SCREW
6
STRAP-GROUND
7
WIRE HARNESS ASSEMBLY
8
AIR FILTER COVER
9
FILTER - AIR
10
SCREW
11
HOUSING - AIR FILTER
12
CARBURETOR - ZAMA W26
13
KIT, FUEL LINE (SMALL)
14
BULB, PURGE \"SNAP-IN\"
15
KIT, CARBURETOR ADAPTER (INCLUDES 16, 34, 37)
16
GASKET, CYLINDER 0-RING (KIT)
17
CHAMPION - SPARK PLUG ACCY. (RCJ-7Y)
18
CYLINDER KIT (INCLUDES 25, 33)
19
CLIP - HIGH TENSION LEAD
20
MUFFLER KIT (INCLUDES 21, 22, 23, 24)
21
BACKPLATE - MUFFLER
22
GASKET, MUFFLER (KIT)
23
KIT, SPARK ARRESTOR
24
MUFFLER BOLT
25
INSET - LEFT (BLACK) CYLINDER
26
CRANKSHAFT/ROD ASSEMBLY
27
BOLT
28
CRANKCASE CAP
29
BEARING/ SEAL ASSEMBLY
30
PISTON KIT (INCLUDES 31, 32)
31
RETAINER, PISTON PIN
32
RING - PISTON
33
INSERT - RIGHT (GRAY) CYLINDER
34
SEAL, ADAPTOR (KIT)
35
SCREW
36
GASKET - CARBURETOR (KIT)
37
TUBE - INTAKE
38
WIRE, THROTTLE
39
NUT, CARBURETOR
40
KIT, GASKET (INCLUDES 16, 22, 34, 36)
41
SCRENCH
NI01
MANUAL
NI02
DECAL - WARNING