+7 (499) 702-01-13
+7 (499) 702-03-59
Пн-Пт с 9:00 до 18:00
Поиск бренда
Поиск модели
Каталог схем
WACKER NEUSON
Инструменты
Строительная техника
Виброплиты дизельные
DPU 3750 Hts (5000610322) Revision 100
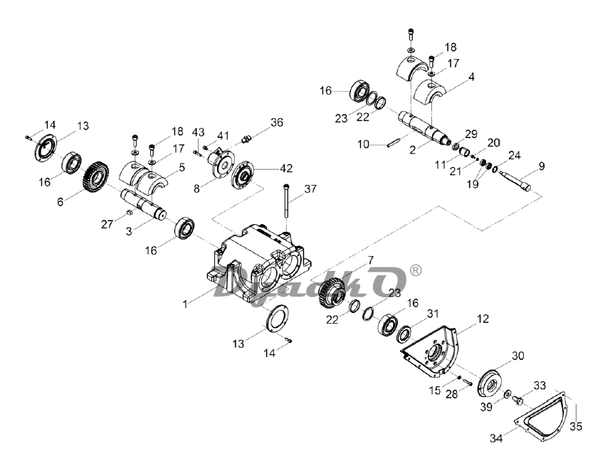
Схема WACKER NEUSON DPU 3750 Hts (5000610322) Revision 100 Exciter
1
Exciter housing Erregergehäuse
2
Shaft Welle
3
Shaft Welle
4
Eccentric weight Unwucht
5
Eccentric weight Unwucht
6
Gear wheel Zahnrad
7
Adjusting sleeve Verstellhülse
8
Cylinder cover Zylinderdeckel
9
Indexing bolt Schaltbolzen
10
Tripping pin Schaltstift
11
Piston Kolben
12
Belt guard Riemenschutz
13
Cover Deckel
14
Cheese head screw Zylinderschraube M6 x 18 10Nm/7ft.lbs ISO4762
15
Flat washer Scheibe 6 ISO7090
16
Cylindrical roller bearing Zylinderrollenlager
17
Lockwasher Spannscheibe 10 DIN6796
18
Cheese head screw Zylinderschraube M10x 30 DIN912
19
Grooved ball bearing Rillenkugellager
20
Cheese head screw Zylinderschraube M5 x 10 10Nm/7ft.lbs ISO4762
21
Washer Scheibe 5 ISO7089
22
Bushing Buchse
23
Supporting Washer Stützscheibe S40x50 DIN988
24
Retaining ring Sicherungsring 22 x 1 DIN472
27
Fitting key Passfeder A10 x 8 x 18 DIN6885
28
Cheese head screw Zylinderschraube M6 x 30 10Nm/7ft.lbs ISO4762
29
Lip seal ring Gummilippenring 25x 17x 5,5
30
V-belt pulley Keilriemenscheibe
31
Rotary shaft seal Wellendichtring
33
Vent screw Entlüftungsschraube
34
Cover Deckel
35
Screw Kombi-Schraube M 6x 16 10Nm/7ft.lbs
36
Screwed socket Einschraubstutzen DIN3901
37
Cheese head screw Zylinderschraube M10 x 120 69Nm/51ft.lbs ISO4762
39
Lockwasher Spannscheibe 12 DIN6796
41
Cheese head screw Zylinderschraube M6 x 8 10Nm/7ft.lbs ISO4762
42
Cover Anschlagdeckel
43
Cheese head screw Zylinderschraube M6 x 25 10Nm/7ft.lbs ISO4762