+7 (499) 702-01-13
+7 (499) 702-03-59
Пн-Пт с 9:00 до 18:00
Поиск бренда
Поиск модели
Каталог схем
DDE
Инструменты
Уборочное оборудование
Снегоуборщики бензиновые
ST 1387 L-SE-TTE
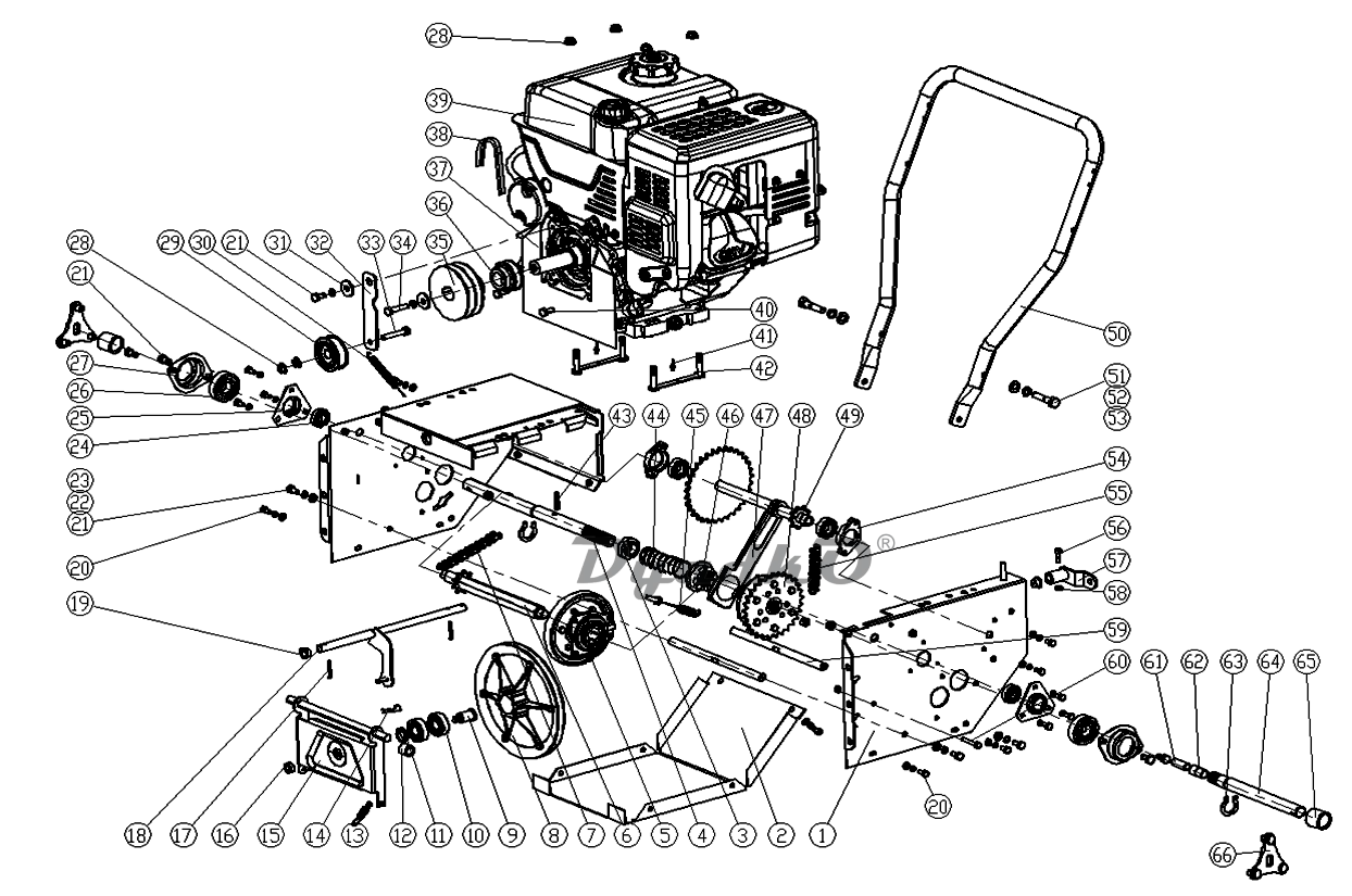
Схема DDE ST 1387 L-SE-TTE Система привода
1
нет описания
2
нет описания
3
нет описания
4
Вал DDE ST1387L
5
Диск фрикционный
6
нет описания
7
Цепь 22 звена
8
нет описания
9
нет описания
10
Подшипник шариковый DDE 6003
11
нет описания
12
нет описания
13
нет описания
14
Стопор DDE ST6560L/ST1387L
15
нет описания
16
Гайка M10
17
нет описания
18
нет описания
19
нет описания
20
Болт M8x20
21
Болт М8х20
22
нет описания
23
нет описания
24
Подшипник шариковый DDE 6002
25
нет описания
26
Подшипник шариковый DDE 6205
27
нет описания
28
Гайка М8
29
нет описания
30
нет описания
31
нет описания
32
нет описания
33
Болт М8x35 шаг 1
34
Болт M10x45
35
нет описания
36
нет описания
37
нет описания
38
Ремень DDE ST1387L 37*132EB
39
Двигатель
40
Болт DDE ST М8х10
41
нет описания
42
нет описания
43
нет описания
44
нет описания
45
Трос DDE ST1387L сцепления
46
Муфта DDE ST1387L сцепления
47
Скоба DDE ST1387L сцеплния
48
Дифференциал
49
нет описания
50
нет описания
51
Болт М10х45
52
нет описания
53
нет описания
54
нет описания
55
Цепь 21 звено
56
Болт DDE ST М6х30
57
нет описания
58
Гайка M10
59
нет описания
60
Болт DDE ST М6х35
61
Деталь DDE ST1387L вала
62
Втулка DDE ST1387L вала
63
нет описания
64
Вал DDE ST1387L короткий
65
нет описания
66
нет описания