+7 (499) 702-01-13
+7 (499) 702-03-59
Пн-Пт с 9:00 до 18:00
Поиск бренда
Поиск модели
Каталог схем
DDE
Инструменты
Садовая техника
Триммеры бензиновые
GB25RD
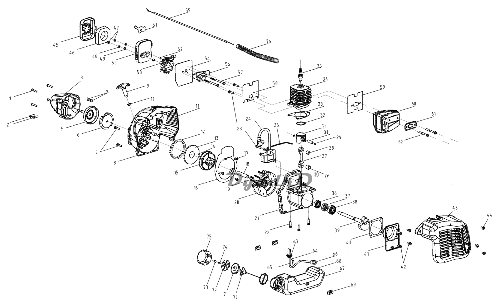
Схема DDE GB25RD 02 Двигатель
1
нет описания
2
нет описания
3
Крышка сцепления
4
нет описания
5
Чашка сцепления
6
Сцепление
7
нет описания
8
Крышка стартера
9
нет описания
10
нет описания
11
нет описания
12
Пружина стартера (в кассете)
13
нет описания
14
Шнур стартера 3,5мм
15
Барабан стартера
16
нет описания
17
нет описания
18
Втулка упор сцепления
19
нет описания
20
Маховик
21
Картер
21А
Картер в сборе с коленвалом (21,26,27,36-39)
22
нет описания
23
нет описания
24
Магнето
25
нет описания
26
Подшипник игольчатый шатуна
27
Шатун
28
Подшипник игольчатый пальца поршня
29
Кольцо стопорное пальца
30
Палец поршня
31
Поршень GB25RD (без кольца)
32
Кольцо поршневое GB25RD
33
Прокладка цилиндра GB25RD
34
Цилиндр GB25RD
35
Свеча зажигания (OREGON 77-324-1)
36
Подшипник 6001
37
Сальник коленвала
38
Подшипник 6201
39
Коленвал
40
Прокладка крышки картера
41
Крышка картера
42
нет описания
43
Крышка задняя двигателя GB25RD
44
нет описания
45
Крышка фильтра
46
Фильтр воздушный
47
нет описания
48
нет описания
49
нет описания
50
Стойка воздушного фильтра
51
нет описания
52
нет описания
53
Карбюратор
54
Прокладка карбюратора
55
Трос газа
56
Теплоизолятор
57
нет описания
58
Прокладка теплоизолятора
59
Прокладка глушителя
60
Глушитель GB25RD
61
Стойка глушителя
62
Болт крепления глушителя
63
нет описания
64
нет описания
65
Шланг топливный
66
Фильтр топливный (OREGON 07-040)
67
Бак топливный
68
нет описания
69
Аммортизатор бака
70
нет описания
71
Кольцо уплотнительное пробки
72
нет описания
73
Фильтр пробки бензобака
74
Сапун пробки бензобака
75
Пробка бензобака
76
нет описания
нет описания
нет описания
БН
Двигатель в сборе GB25RD