+7 (499) 702-01-13
+7 (499) 702-03-59
Пн-Пт с 9:00 до 18:00
Поиск бренда
Поиск модели
Каталог схем
MTD
Инструменты
Садовая техника
Газонокосилки бензиновые
SP 53 GHWO (12A-56MF600) 2007
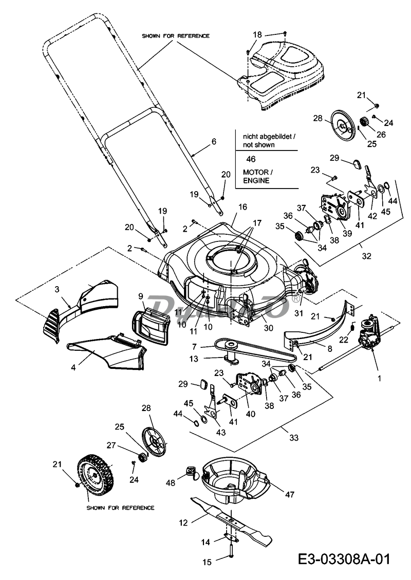
Схема MTD SP 53 GHWO (12A-56MF600) 2007 01 Basic machine
1
TRANSMISSION ASM:SP 21\"
2
SCR:HL:1/4-15:1.000:HXINDWSH
3
REAR BAFFLE
4
EJECTION FLAP
6
LOWER HANDLE
7
V-BELT 3LX31.25
8
FRONT BAFFLE
9
PLUG ASM:MULCH:HINGED
10
SCR:TT:1/4-20:0.500:HXINDWSH
11
WASHER:BLVL:.265 x .750 x .060
12
BLADE 21\" MULCHING W/STAR
13
ADAP:BLADE:21\" ONE PIECE
14
BLADE BELL SUPP. SPRING STEEL
15
HHCS:3/8-24:2.50:GR8:SPEC
16
DECK:3 IN 1:21\" MTD RED
17
SCR:TTSEMS:3/8-16:1.000:HXLWSH
18
FLANGE SCREW .30X.46XTT:#12-24
19
SCR:CRG:1/4-20:.75:GR5
20
NUT:FLGLK:1/4-20:GRF:NYLON
21
NUT:FLGLK:3/8-16:GRF:NYLON
22
COMPRESSION SPRING
23
HHCS:3/8-16:.75:GR5:STD
24
SCR:1/4-20 x.390:PANTRXI
25
DOWEL PIN:H.G.PROD. 3/16 x 3/4
26
SPROCKET LH 14 TEETH
27
SPROCKET RH 14 TEETH
28
CVR:WHL:DUST
29
KNOB:ADJ:HEIGHT
30
SPACER
31
SPACER
32
HEIGHT ADJ.ASSY RH
33
HEIGHT ADJUSTEMENT TUBE ASSY
34
BEARING
35
BEARING RETAINER
36
BRG:SLEV:.50ID
37
BEARING SUPPORT
38
WASH:WAVE 1.000 x 1.5000 x.029
39
HEIGHT ADJ. PLATE LH
40
HEIGHT ADJ. PLATE RH
41
PLATE ASM-PIVOT HGT ADJ
42
LH. ADJUSTING LEVER
43
LEVER-SPRING
44
RING SNAP:1.00 DIA SHAFT
45
WASHER
46
ENGINE 173 CC OHV VERTIC SHAFT
47
CVR:400-500 SERIES
48
BRKT:BAFFLE:ENGINE