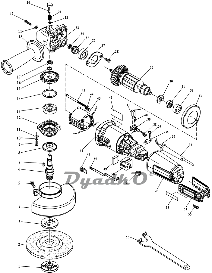
| 1 | Фланец внешний |
| 2 | Диск |
| 3 | Фланец внутренний |
| 4 | Кожух защитный |
| 5 | Винт М5*16 |
| 6 | Шпиндель |
| 7 | Шпонка 3*10 |
| 8 | Крышка пылезащитная |
| 9 | Винт М4*14 |
| 10 | Шайба пружинная 4 |
| 11 | Шайба плоская 4 |
| 12 | Корпус подшипника |
| 13 | Подшипник 6201 |
| 14 | Кольцо стопорное 32 |
| 15 | Шестерня большая |
| 16 | Шайба |
| 17 | Кольцо стопорное 10 |
| 18 | Подшипник скольжения 8*12*8 |
| 19 | Ручка боковая |
| 20 | Винт ST4.2*35 |
| 21 | Стопор |
| 22 | Пружина стопорная |
| 23 | Кольцо стопорное 4 |
| 24 | Корпус редуктора |
| 25 | Гайка М6 |
| 26 | Шестерня малая |
| 27 | Подшипник 6000 |
| 28 | Корпус подшипника |
| 29 | Винт М4*10 |
| 30 | Шайба |
| 31 | Ротор |
| 32 | Колпачок противопыльный |
| 33 | Подшипник 627 |
| 34 | Втулка резиновая 6008 |
| 35 | Диффузор |
| 36 | Усилитель шнура |
| 37 | Шнур с вилкой |
| 38 | Хомут шнура |
| 39 | Винт ST4.2*14 |
| 40 | Пружина |
| 41 | Щеткодержатель |
| 42 | Винт ST2.9*8 |
| 43 | Щетки угольные |
| 44 | Пластина |
| 46 | Статор |
| 47 | Скоба |
| 48 | Винт ST4.2*55 |
| 49 | Корпус |
| 50 | Клавиша выключателя |
| 51 | Шток выключателя |
| 52 | Конденсатор |
| 53 | Выключатель |
| 54 | Индуктивность |
| 55 | Корпус передний |
| 57 | Зажим корпуса |
| 58 | Ключ специальный |