+7 (499) 702-01-13
+7 (499) 702-03-59
Пн-Пт с 9:00 до 18:00
Поиск бренда
Поиск модели
Каталог схем
SUNGARDEN
Инструменты
Уборочное оборудование
Снегоуборщики бензиновые
ST 6562 S (15AN0001)
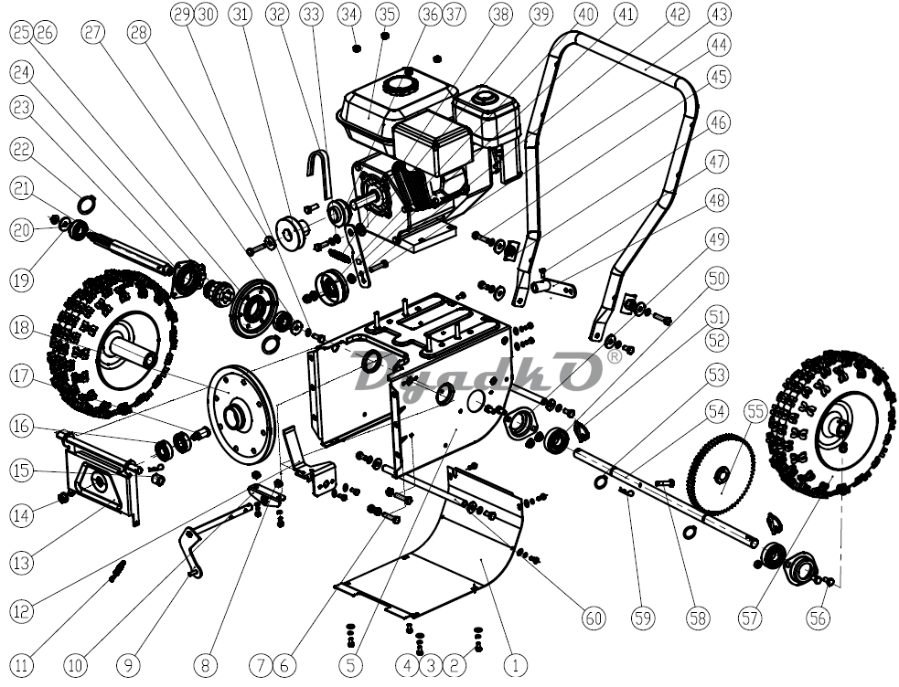
Схема SUNGARDEN ST 6562 S (15AN0001) Система привода
1
Cover .Frame
2
Hexaqon Head Boll H6X10
3
Sprinq Washer 6
4
Flat Washer 6
5
Wheel Box
6
Hexaqon Head Bolt H6X35
7
tbpUlinntiinatK
8
HeiavinsodietGpsfreNslttXI
9
Shiftinq Fork
10
Riqht Anqle Metal Block
11
Sprinq 6
12
Belt Baffle
13
Bracket.for belt pulley
14
нет описания
15
Spacer
16
Ball Bearinq
17
Orive Belt Pulley
18
Biq Belt pulley
19
Biq Washer 10
20
Ball bearinq
21
Hjiaqon transrission shaft
22
circlip.for shaft 40
23
Gear Box Cover
24
Gear Box
25
Rubber Rinq.Gear Box
26
Biq Washer.Gear Box
27
Biq Wahser 8
28
Jumbo Washer 8
29
Hexaqon Head Bdt M8X21
30
Sprinq Washer 8
31
Belt Pulley 2
32
synchronous belt
33
Flat Washer 8
34
нет описания
35
Enqine
36
Belt Wheel Turntable 1
37
Belt Wheel Turntable 2
38
Sprinq 3
39
Pad.For snail tension puller
40
Small Tension Pulley
41
Small Tension Plate
42
Pad
43
Armrest
44
Hexaoon Head Bdl H8X35
45
Hexaqon Head Bolt HBX45
46
Gasket
47
Hexaqon Head Bolt M6X20
48
Gear Connector
49
rhombus bearinq housinq
50
Ball Bearinq
51
Sprinq Bolt
52
Sprinq Rinq
53
circlip.for shaft 19
54
Drive Shaft
55
differential
56
Hexaqon Head Bolt H8X15
57
Tyre
58
Pinned shaft with whole
59
individual pen pinchcock
60
Strut Bar