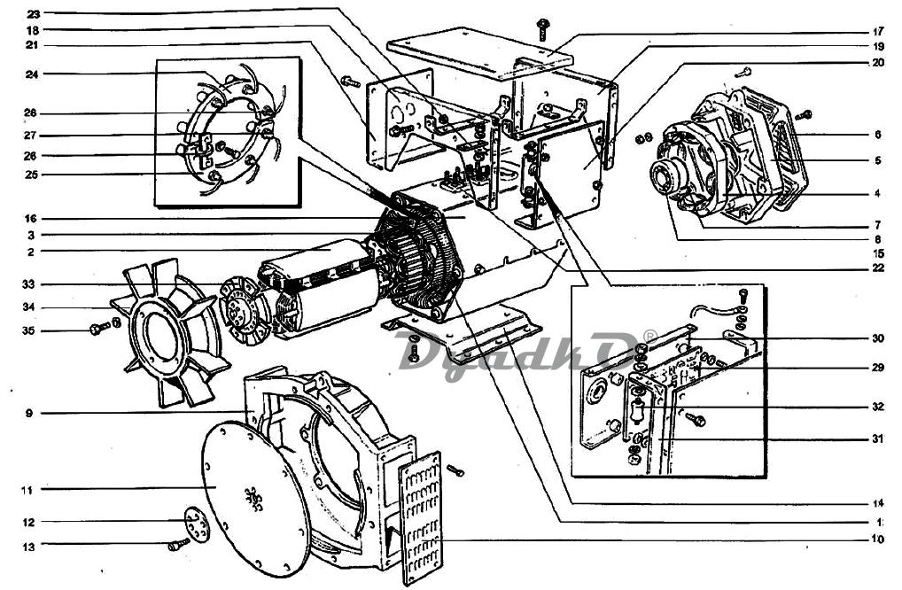
| 1 | Stator |
| 2 | Rotor |
| 3 | Exciter Rotoi |
| 4 | Exciter Stator |
| 5 | N.D.E. Endbracket |
| 6 | Cover N.D.E. |
| 7 | Bearing \'o\' Rina N.C |
| 8 | Bearing N.D.E |
| 9 | D E.Adaptor |
| 10 | D.E.Screen |
| 11 | Coupling Hub |
| 12 | Pressure Plate |
| 13 | Coupling Bolt |
| 14 | foot |
| 15 | Frame Cover Bottom |
| 16 | Frame Cover Top |
| 17 | Terminal Box Lid |
| 18 | Endpauel D.E.. |
| 19 | Endpanel N.D.E. |
| 20 | Side Panel (AYR) |
| 21 | Side Panel |
| 22 | Main Terminal Panel |
| 23 | Terminal Link |
| 24 | Main Rectifier Assembly-Forward |
| 25 | Main Rectifier Assembly-Reverse |
| 26 | Varistor |
| 27 | Diode Reverse Polaritv |
| 28 | Diode Forward Polarity |
| 29 | AVR |
| 30 | AVR Mounting Plate |
| 31 | AVR Mounting Bracket |
| 32 | AVM |
| 33 | Fan Hub |
| 34 | Fan |
| 35 | Fan Securing Screw |