+7 (499) 702-01-13
+7 (499) 702-03-59
Пн-Пт с 9:00 до 18:00
Поиск бренда
Поиск модели
Каталог схем
CHAMPION (IGP)
Инструменты
Силовая техника
Генераторы дизельные
DG 12E E3
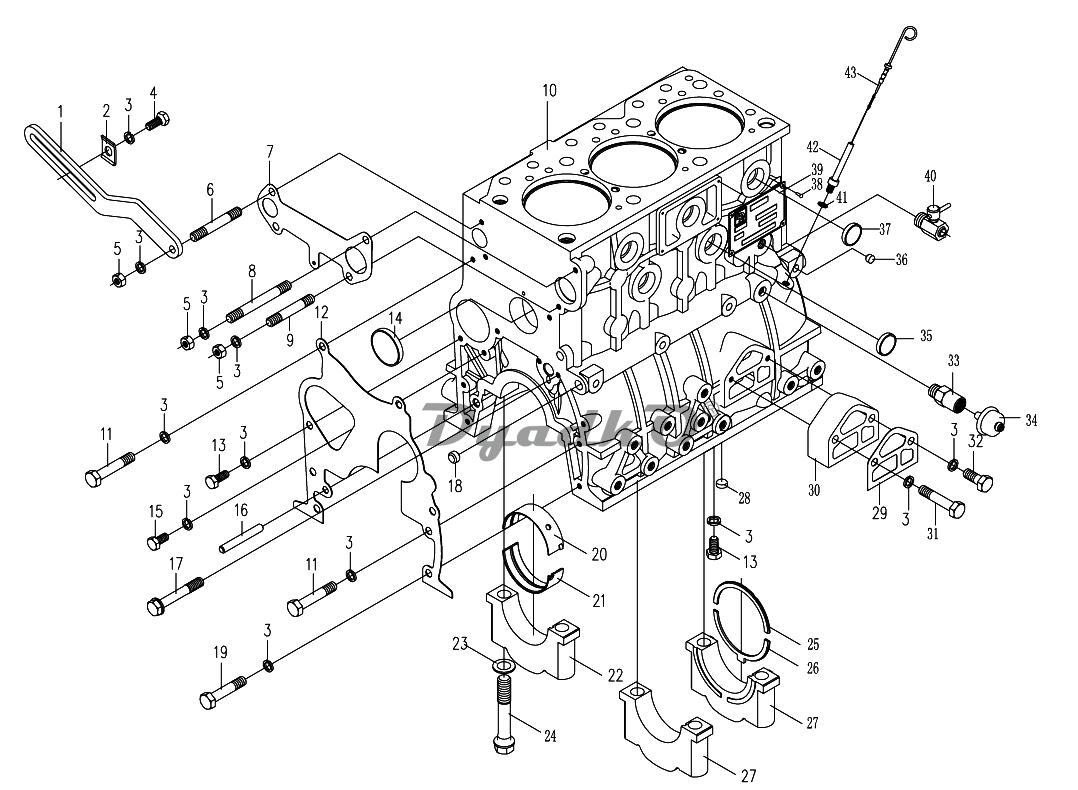
Схема CHAMPION (IGP) DG 12E E3 Цилиндры
1
Alternator adjustable spport
2
Washer 8
3
Washer 8
4
Bolt MS *35
5
Nut MS
6
Bolt MS *65
7
Water rear cover gasket
8
Bolt MS*90
9
Bolt MS *60
10
Cylinder block
11
Bolt MS*55
12
Gear case cover gasket
13
Bolt MS *20
14
Blind plug 55
15
Bolt MS* 16
16
Pm BS*50
17
Idle Bolt Ml0*70
18
Main bearing stopper
19
Locating sleeve of mam bearing cap
20
Main bearing(upper shell)
21
Main bearing(lower shell)
22
Main bearing cap
23
Washer of main bearing cap bolt
24
Main bearing cap bolt
25
Upper thrust piece of crankshaft
26
Lower thrust piece of crankshaft
27
Rear main bearing cover
28
Blind plug ф12
29
Oil filter gasket
30
Oil filter padding block
31
Bolt M8-50
32
Bolt M8-50
33
Connecting pipe for pressure sensor
34
Oil pressuer sensor
35
Bowl shape plug
36
Taper plug
37
Blind plug o32
38
Rivet2-6
39
Brand mark plate
40
Water drain cock
41
Washer
42
Dipstick sleeve weldment
43
Oil level dipstick