+7 (499) 702-01-13
+7 (499) 702-03-59
Пн-Пт с 9:00 до 18:00
Поиск бренда
Поиск модели
Каталог схем
KIPOR
Инструменты
Силовая техника
Генераторы бензиновые
KGE300TC
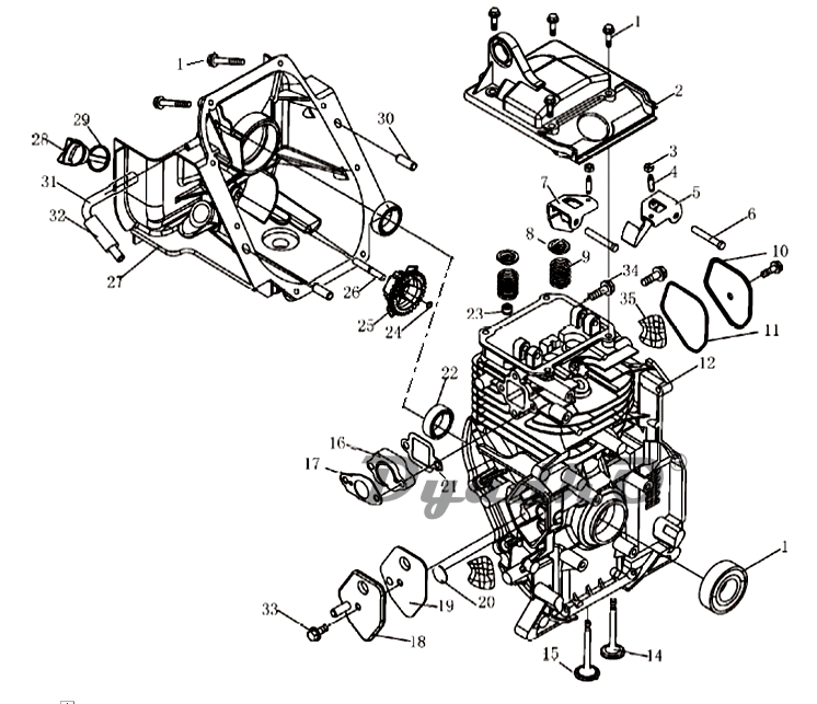
Схема KIPOR KGE300TC Цилиндр
1
___
2
___
3
___
4
___
5
___
6
___
7
___
8
___
9
___
10
___
11
___
12
___
13
___
14
___
15
___
16
___
17
___
18
___
19
___
20
___
21
___
22
___
23
___
24
___
25
___
26
___
27
___
28
___
29
___
30
___
31
___
32
___
33
___
34
___
35
___