+7 (499) 702-01-13
+7 (499) 702-03-59
Пн-Пт с 9:00 до 18:00
Поиск бренда
Поиск модели
Каталог схем
CRAFTSMAN
Инструменты
Садовая техника
Пилы цепные бензиновые
351700 (358.351700)
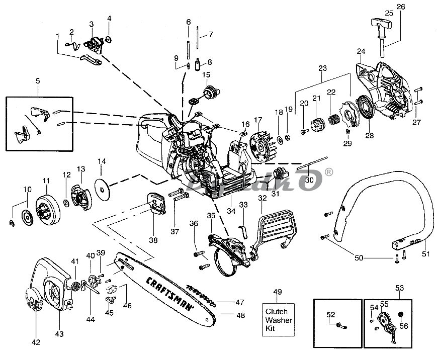
Схема CRAFTSMAN 351700 (358.351700) Пила
1
Knob-Choke
2
Spring-Ign Switch
3
Lever-Ign Switch
4
Screw
5
Kit-Trigger/Lockout
6
Kit-Fuel Line (large)
7
Kit-Fuel Line (small)
8
Assy-Fuel Pick Up
9
Fitting-Fuel Line
10
Kit-Clutch Washer
11
Assy-clutch drum 3/8
12
Kit-Clutch Washer
13
Assy-Clutch
14
Washer-Large Clutch
15
Assy-Fuel Cap wret
16
Nut-”U” type speed
17
Kit - EPS Ign (Incl module)
18
Washer - Flywheel
19
Nut-Flywheel
20
Screw-Shoulder
21
Starter Hub- EPS
22
Spring-EPS
23
Kit-EPS starter pulley (Incl 20,21,22,29)
24
Housing-Fan
25
Handle-Starter
26
Kit-Rope
27
Screw
28
Spring-Starter
29
Screw
30
Assy-Oil Vent
31
Assy-Oil Cap w/ret
32
Handguard
33
Spring-Handguard
34
Assy-Chassis (Incl ,5,6,7,8,9,15,16, ,30,31,33,37)
35
Kit-Chainbrake
36
Screw
37
Bolt-Bar
38
Plate-Bar •
39
Screw
40
Cover-Gearbox
41
Wheel-Bar Adjust
42
Assy-EZT Knob
43
Cover-EZT Clutch
44
Assy-Adj Screw
45
Pin-Bar Adjust
46
Clip-Spring
47
Chain 16\"
48
Bar 16\"
49
Kit-Clutch Washei (Incl 10,12)
50
Screw
51
Handle-Front
52
Assy-Oil pick up
53
Kit-Oil pump (Incl 54,55,56)
54
Screw
55
Assy-Oil Pump
56
Gear-Worm