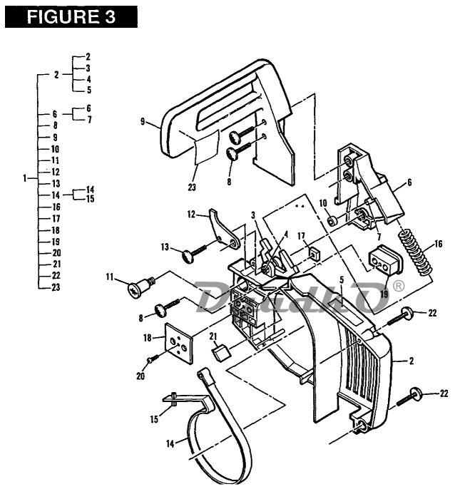
| 1 | Brake hsg as |
| 2 | Housing brake asse... |
| 3 | Latch |
| 4 | Dowel, spring |
| 5 | Spark label |
| 6 | Lever |
| 7 | Pin, dowel |
| 8 | Screw,10-24x |
| 9 | Hand guard |
| 10 | Roller |
| 11 | Shoulder screw |
| 12 | Stop brake |
| 13 | Screw,8-16x. |
| 14 | Brake band a |
| 15 | Pin, spring (.125 ... |
| 16 | Srng-comprs |
| 17 | Nut-square 1 |
| 18 | Shield |
| 19 | Spacer,bar p |
| 20 | Screw,#4-40x |
| 21 | Seal |
| 22 | Screw,8-16x1 |
| 23 | Safety label |