+7 (499) 702-01-13
+7 (499) 702-03-59
Пн-Пт с 9:00 до 18:00
Поиск бренда
Поиск модели
Каталог схем
MCCULLOCH
Инструменты
Садовая техника
Пилы цепные бензиновые
Pro Mac 3205
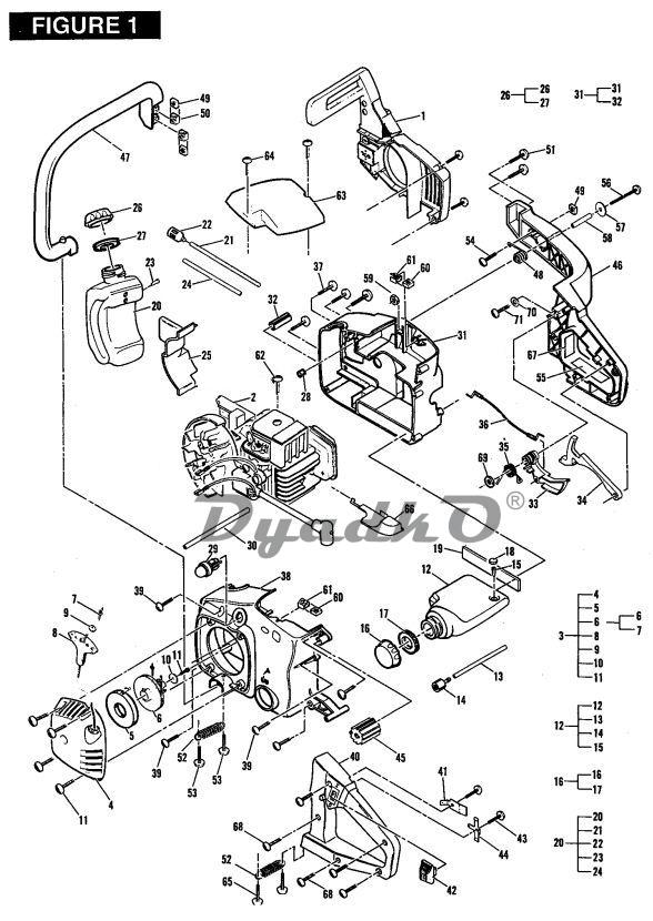
Схема MCCULLOCH Pro Mac 3205 General assembly
1
Chain brake assemb...
2
Powerhead assembly...
3
Starter housing
4
Housing rope guide
5
Spring
6
Drum rope
7
Starter rope
8
Handle assembly
9
Washer
10
Washer-.19 i
11
Screw,8-16x.
12
Oil tank assembly
13
Hose,fuel pi
14
Oil pickup
15
Valve, duckb
16
Oil cap assembly
17
Oil gasket
18
Filter
19
Oil spacer
20
Fuel tank assembly
21
Hose, fuel pi
22
Fuel pickup
23
Valve, duckb
24
Hose primer
25
Fuel shield
26
Fuel cap assembly
27
Fuel gasket
28
Filter
29
Prumer remot
30
Hose
31
Housing pin assemb...
32
Pin, roll (1
33
Throttle trigger
34
Throttle latch
35
Torsion spring
36
Throttle cable
37
Screw,10-24x
38
Hsg,left eng
39
Screw,8-16x.
40
Handle,lt-re
41
Contact, gro
42
Stop button
43
Screw
44
Ignition contact
45
Isolator, ru
46
Handle,rt-re
47
Handle
48
Extension spring
49
Nut-square 1
50
Retainer nut
51
Screw,10-24x
52
Extension spring
53
Screw,8-16x.
54
Screw
55
Starting label
56
Screw-tr 10-
57
Washer
58
Spacer (.2 i
59
Hex lock nut
60
Nut-square 1
61
Retainer nut
62
Screw
63
Air cover
64
Screw,#10-24
65
Screw,8-16x.
66
Choke rod
67
Label, ansi
67A
Label, ansi
68
Screw,8-16x.
69
`o\' ring
70
Washer-.19 i
71
Screw,8-16x.
Not
Carburetor(z
Not
Carburetor