+7 (499) 702-01-13
+7 (499) 702-03-59
Пн-Пт с 9:00 до 18:00
Поиск бренда
Поиск модели
Каталог схем
VIKING
Инструменты
Садовая техника
Газонокосилки бензиновые
MB 415, MB 465, MB 465 C
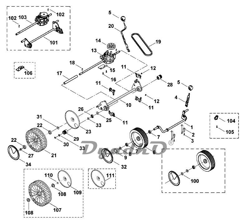
Схема VIKING MB 415, MB 465, MB 465 C C Ходовая часть
1
Ось
2
Держатель оси
3
Самонарезающий винт Р5х16
4
Переводной рычаг
5
Ручка
6
Колесо
☐
7
7
Шарикоподшипник 27М-3,6х12
8
Шайба 13
9
Стопорное кольцо
10
Ось
11
Держатель оси
12
Самонарезающий винт Р5х8
13
Коробка передач
☐
14
14
Клиноременный шкив
15
Держатель
16
Самонарезающий винт Р5х16
17
Труба
18
Шпонка обгонной муфты
19
Клиновой ремень
20
Переводной рычаг
21
Колесо в сборе 200
☐
22,23
21
Колесо в сборе 200 (57.2010)
☐
22,23
22
Шарикоподшипник 6001-2RS
23
Крышка
25
Защитный диск
26
Шарикоподшипник 6001-2RS
26
Шарикоподшипник 6001-2RS (50.2009)
26
Шарикоподшипник 6001 (25.2007)
27
Самонарезающий винт М8х16
28
Шестерня
28
Шестерня
✻
(до серийного номера 4 30 300 502) (22.2003)
29
Шестерня
29
Шестерня
✻
(до серийного номера 4 30 300 502) (22.2003)
30
Стопорное кольцо 12x1
31
Пружинная шайба 12
32
Колпак колеса
33
Шайба Р12x18x0,5
34
Колпак колеса
34
Колпак колеса (17.2010)
34
Колпак колеса
✻
(до серийного номера 51 944 739) (29.2001)
100
Быстрое крепление
✻
(до серийного номера 4 30 343 760) (01.2004)
101
Ось
✻
(до серийного номера 4 30 368 309) (11.2004)
102
Шпонка обгонной муфты
✻
(до серийного номера 4 30 368 309) (11.2004)
103
Коробка передач
✻
(до серийного номера 4 30 368 309) (11.2004)
☐
14
104
Держатель оси
(1)
✻
(до серийного номера 4 30 529 230) (02.2005)
104
Держатель оси
(2) (3)
✻
(до серийного номера 4 30 526 545) (02.2005)
105
Самонарезающий винт Р5х16
(1)
✻
(до серийного номера 4 30 529 230) (02.2005)
105
Самонарезающий винт Р5х16
(2) (3)
✻
(до серийного номера 4 30 526 545) (02.2005)
106
Держатель
✻
(до серийного номера 4 30 846 082) (05.2006)
107
Приводное колесо 200
☐
108,109
107
Приводное колесо 200
✻
(до серийного номера 51 944 739) (29.2001)
☐
108
108
Шарикоподшипник 26М-4,5х12 (17.2010)
109
Крышка (17.2010)
110
Шайба Р12x18x1 (17.2010)
111
Крышка (57.2010)
Примечание:
(1)
ME 415
(2)
ME 465
(3)
ME 465 C
☐
cюда входят номера позиций
✻
машины более старого типа конструкции
(A)
не изображено на иллюстрации
(B)
только в виде специальных принадлежностей
(C)
заводом больше не выпускается
(D)
не поставляется отдельно как запасная деталь