+7 (499) 702-01-13
+7 (499) 702-03-59
Пн-Пт с 9:00 до 18:00
Поиск бренда
Поиск модели
Каталог схем
MTD
Инструменты
Садовая техника
Тракторы садовые и райдеры
CMI 81-11 (13D1452D620)
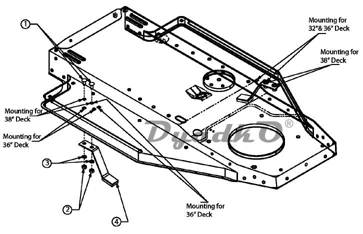
Схема MTD CMI 81-11 (13D1452D620) Bremse
1
FLACHRD-SCHR.M6X20 DIN 603
2
SICHERUNGSMUTTER M6 DIN 985-8
3
MESSERBREMSE