+7 (499) 702-01-13
+7 (499) 702-03-59
Пн-Пт с 9:00 до 18:00
Поиск бренда
Поиск модели
Каталог схем
MCCULLOCH
Инструменты
Садовая техника
Пилы цепные бензиновые
Mac 3516
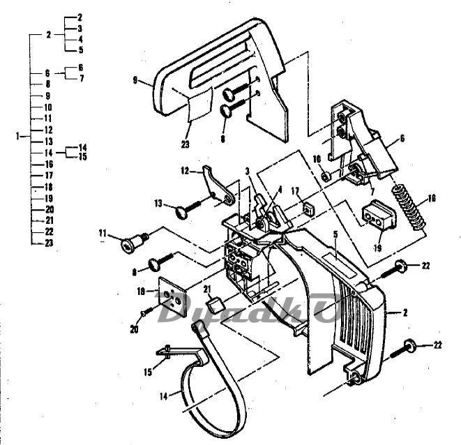
Схема MCCULLOCH Mac 3516 Chain brake assambly
1
Brake Housing Аssу.
2
Housing Assy., Brake
3
Latch, Chain Stake
4
Dowel, Spring
5
Ubel, Spark Arre tier
6
Lever, Actuating
7
нет описания
8
Saaw, 10-24* .62 ТЯ HD TX
9
Guard, Hand
10
Roller. .
11
Screw, Shoulder
12
Stop, Brake
13
Screw, 0-16 я .75 TR НО Plwtii*
14
Band, Brake
15
Pin. Spring (,125 x.501)
16
Spring, Compression
17
Nut, Square 10-24
18
Shield
19
Spacer, Bar Pad
20
Screw, 4-40 * S/16 Taptlte
21
Seat, Poem
22
Screw, 8-16»
23
label. Safety