+7 (499) 702-01-13
+7 (499) 702-03-59
Пн-Пт с 9:00 до 18:00
Поиск бренда
Поиск модели
Каталог схем
MAKITA
Инструменты
Шлифовальное оборудование
Углошлифовальные машины сетевые
GA 5093
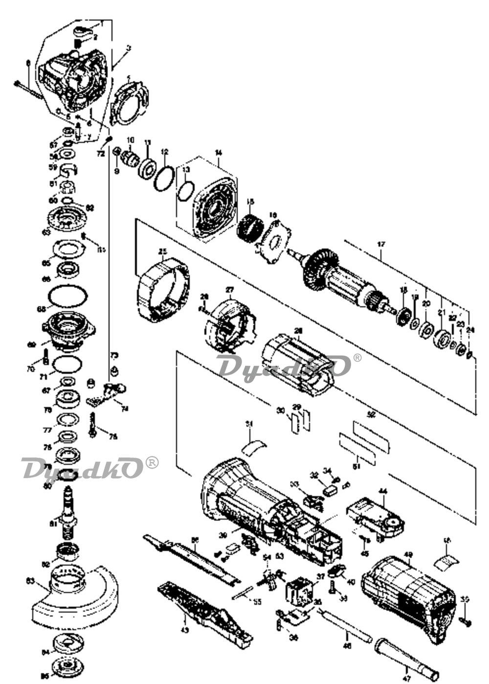
Схема MAKITA GA 5093
1
Кнопка стоп
2
Компрессионная пружина 8
3
Корпус редуктора в сборе
4
Дифузор
5
Резиновая шпилька 4
6
О-Кольцо 5 к GA5030
7
Стопорный штифт 6
8
Самонарезающий винт 4х50
9
Шестигр.гайка M6 к 9558HN
10
Спиральная коническая шестерня 11
11
Подшипник 12/28 6001DW
12
Резиновая пластина
13
О- кольцо 27.5
14
Крышка редуктора в сборе
15
Компрессион.пружина 33
16
Пластина в сборе
17
Ротор в сборе 240V
18
Изоляционная шайба для 9565H
19
Плоская шайба 7
20
Подшипник 7/22 627DW
21
Лабиринтное резиновое кольцо 22
22
Волновая шайба 6 для BO6040/
23
Магнитная втулка для GD0800C/
24
Стопорная шайба 6 4340/9566C/
25
Проставка
26
Самонарезающий винт 3х16
27
Дефлектор В
28
Статор 220-240
29
-
30
-
31
-
32
Угольные щётки 264 комплект
33
Щёткодержатель
34
Самонарез винт РT3х10 зажимной
35
Крышка переключателя
36
Самонарезающий винт 3х16
37
Выключатель FPC-2115T-0-02
38
Самонарезающий винт 4х18
39
Корпус мотора
40
Держатель кабеля к 3709/MT360/
43
Рычаг переключателя в комплекте
44
Контроллер
45
Самонарезающий винт 3х16
46
Кабель резиновый 1.0-2-4.0
47
Защита кабеля
48
-
49
Задняя крышка
50
Самонарезающий винт 4х18
51
-
52
-
53
Торсионная пружина 8
54
Ролик
55
Стержни 3
56
Пластина
57
Подшипник 696ZZ
58
Стопорное кольцо S-10 HR3000C/
59
Плоская шайба 10
60
Соединительная втулка
61
Пластина С образная
62
О-Кольцо 12
63
Спиральная коническая шестерня 38
64
Винт(+) М3х8
65
Фиксатор подшипника 27-46
66
Подшипник 6903ZZ
67
Плоская шайба 12
68
О-Кольцо 51
69
Корпус подшипника В
70
Болт M4х20
71
О-Кольцо 38
72
Пружина 4
73
Ниппель 4
74
Рычаг В
75
Болт H.S.H. M4X35 (С WG)
76
Подшипник 12/32 6201DW
77
Плоская шайба 21 для HR2450FT/
78
Фетровое кольцо 17
79
Фиксатор подшипника
80
Стопорное кольцо R-26 GA5030
81
Шпиндель
82
Приводной фланец
83
-
84
Внутренний фланец 42B
85
Контргайка 14-45