+7 (499) 702-01-13
+7 (499) 702-03-59
Пн-Пт с 9:00 до 18:00
Поиск бренда
Поиск модели
Каталог схем
HONDA
Инструменты
Строительная техника
Мотопомпы бензиновые и дизельные
WP30X
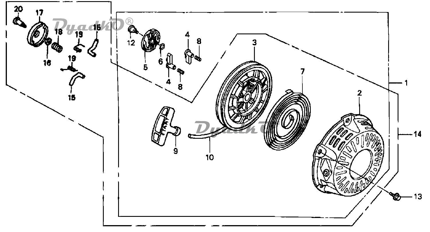
Схема HONDA WP30X Ручной стартер для Honda WP30X ACF6/A
1
Стартер в сборе, намоточное устройство *r280 * honda 28400-ZH8-013YA WP30X
2
Комп. кожуха, барабанный стартер *r280 * honda 28410-ZH8-003YA WP30X
3
Барабан, барабанный стартер (натуральный) honda 28420-ZH8-013 WP30X
3
Барабан, барабанный стартер (чёрный) honda 28421-ZH8-801 WP30X
4
Храповик, стартер honda 28422-ZH8-013 WP30X
5
Направляющая, храповик honda 28433-ZH8-003 WP30X
6
Пружина, фрикционная муфта honda 28441-ZH8-003 WP30X
7
Пружина, барабанный стартер honda 28442-ZH8-003 WP30X
8
Пружина, возврат honda 28443-ZH8-003 WP30X
9
Рукоятка, барабанный стартер honda 28461-ZH8-013 WP30X
10
Шнур, барабанный стартер honda 28462-ZH8-003 WP30X
12
Винт, крепление honda 90003-ZH8-003 WP30X
13
Болт, фланец, 6x10 honda 90008-ZE2-003 WP30X
14
Стартер в сборе, намоточное устройство *r280* honda 28400-Z0T-003ZB WP30X
15
Храповик, стартер honda 28422-ZH8-801 WP30X
16
Пластина, фрикцион honda 28431-ZH8-801 WP30X
17
Направляющая, храповик honda 28433-ZH8-801 WP30X
18
Пружина, фрикционная муфта honda 28441-ZH8-801 WP30X
19
Пружина, возврат honda 28443-ZH8-801 WP30X
20
Винт, крепление honda 90003-ZH8-801 WP30X