+7 (499) 702-01-13
+7 (499) 702-03-59
Пн-Пт с 9:00 до 18:00
Поиск бренда
Поиск модели
Каталог схем
DENZEL
Инструменты
Садовая техника
Триммеры бензиновые
GT-330 (96205)
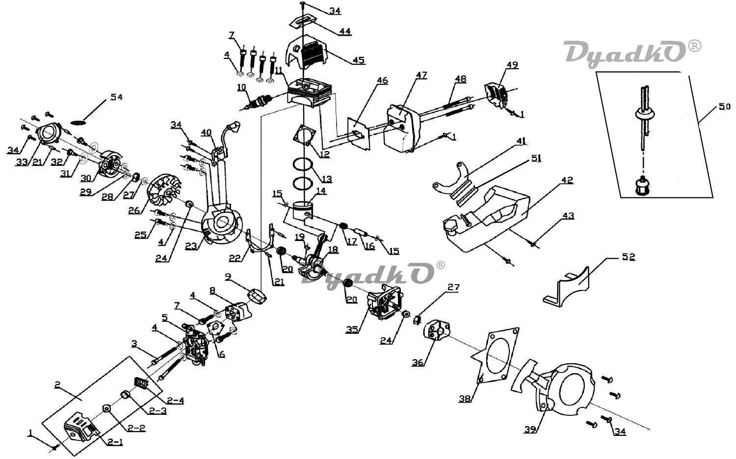
Схема DENZEL GT-330 (96205) Двигатель
1
Болт M5х15 (внутренний шестигранник)
2
Фильтр воздушный в сборе
2\1
Крышка фильтра воздушного
2\2
Элемент фильтрующий
2\3
Кронштейн крышки фильтра воздушного
2\4
Корпус воздушного фильтра
3
Болт M5х55 (внутренний шестигранник)
4
Шайба пружинная M5
5
Карбюратор триммера 33, заслонка D12,6 мм
6
Прокладка карбюратора
7
Болт M5х25 (внутренний шестигранник)
8
Трубка впускная
9
Прокладка трубки впускной
10
Свеча зажигания L7T
11
Цилиндр 36
12
Прокладка цилиндра 36
13
Кольцо поршневое D36 (комплект, 2 шт)
14
Поршень 36
15
Кольцо стопорное D9 пружинное
16
Палец поршневой 9х29
17
Подшипник игольчатый 9х11,8х11,6
18
Вал коленчатый 36
19
Шпонка 3х5х12
20
Подшипник 6201
21
Штифт 5х10
22
Прокладка картера 36
24
Сальник 12x22x7
25
Болт M5х30 (внутренний шестигранник)
26
Маховик ф104
27
Шайба пружинная M8
29
Шайба сцепления
30
Сцепление в сборе ф75
31
Шайба M10 волнистая
32
Болт сцепления М8х24
33
Крышка маховика
34
Болт M5х20 (внутренний шестигранник)
36
Муфта кулачковая в сборе
37
Гайка M8
38
Прокладка стартера
39
Стартер в сборе
40
Катушка зажигания
41
Кронштейн топливного бака
42
Бак топливный в сборе
43
Болт M5х20 (внутренний шестигранник)
44
Крышка декоративная
45
Кожух цилиндра (красный)
46
Прокладка глушителя (D36)
47
Глушитель
48
Болт M6х55 (внутренний шестигранник)
49
Кожух глушителя
50
Топливопровод в сборе
51
Прокладка кронштейна топливного бака
52
Кожух защитный
54
Дефлектор маховика
55
Картер в сборе 36F