+7 (499) 702-01-13
+7 (499) 702-03-59
Пн-Пт с 9:00 до 18:00
Поиск бренда
Поиск модели
Каталог схем
HUTER
Инструменты
Садовая техника
Триммеры бензиновые
GGT-2900T PRO (TPW)
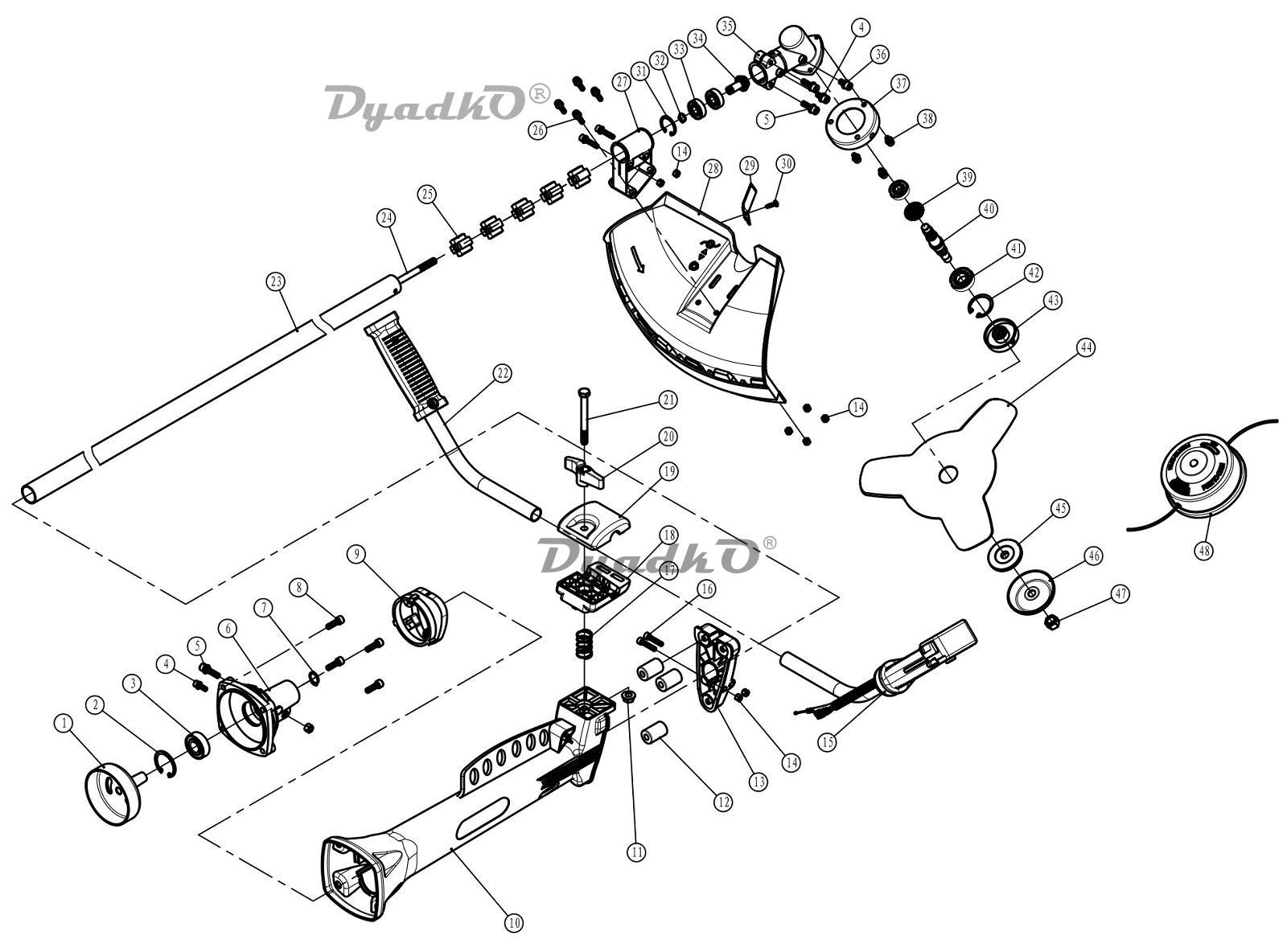
Схема HUTER GGT-2900T PRO (TPW) Штанга
6
Крепление штанги в сборе для GGT-2500 PRO(6) TPW, GGT-2500Т, 2900Т PRO(1) OOY
9
Резиновое кольцо (со стороны колокола сцепления) для GGT-2500PRO(9) TPW,GGT-2500Т,2900Т PRO(2-5) OOY
10
Корпус для GGT-2500 PRO, БТР-2500П ПРОФ(10) TPW, GGT-2500Т, 2900Т PRO(2-4) OOY
12
Резиновая втулка для GGT-2500 PRO, БТР-2500П ПРОФ(12) TPW, GGT-2500Т, 2900Т PRO(2-2) OOY
13
Крепление к штанге для GGT-2500 PRO, БТР-2500П ПРОФ(13) TPW, GGT-2500Т, 2900Т PRO(2-1) OOY
15
Ручка управления в сборе
17
Пружина кронштейна крепления ручек для GGT-2500 PRO,БТР-2500П ПРОФ(17)TPW,GGT-2500Т,2900ТPRO(2-3)OOY
18
Нижняя часть кронштейна крепления ручек для GGT-2500S PRO, БТР-2500П ПРОФ(18) TPW
19
Верхняя часть кронштейна крепления ручек для GGT-2500S PRO, БТР-2500П ПРОФ(19) TPW
20
Пластиковый вентиль для GGT-2500 PRO, БТР-2500П ПРОФ(20) TPW, GGT-2500Т, 2900Т PRO(2-6) OOY
22
Ручка левая (все модели)