+7 (499) 702-01-13
+7 (499) 702-03-59
Пн-Пт с 9:00 до 18:00
Поиск бренда
Поиск модели
Каталог схем
ИНТЕРСКОЛ
Инструменты
Шлифовальное оборудование
Углошлифовальные машины сетевые
УШМ-2324АВС
Схема ИНТЕРСКОЛ УШМ-2324АВС 2324АВС (832) (25.10.2023)
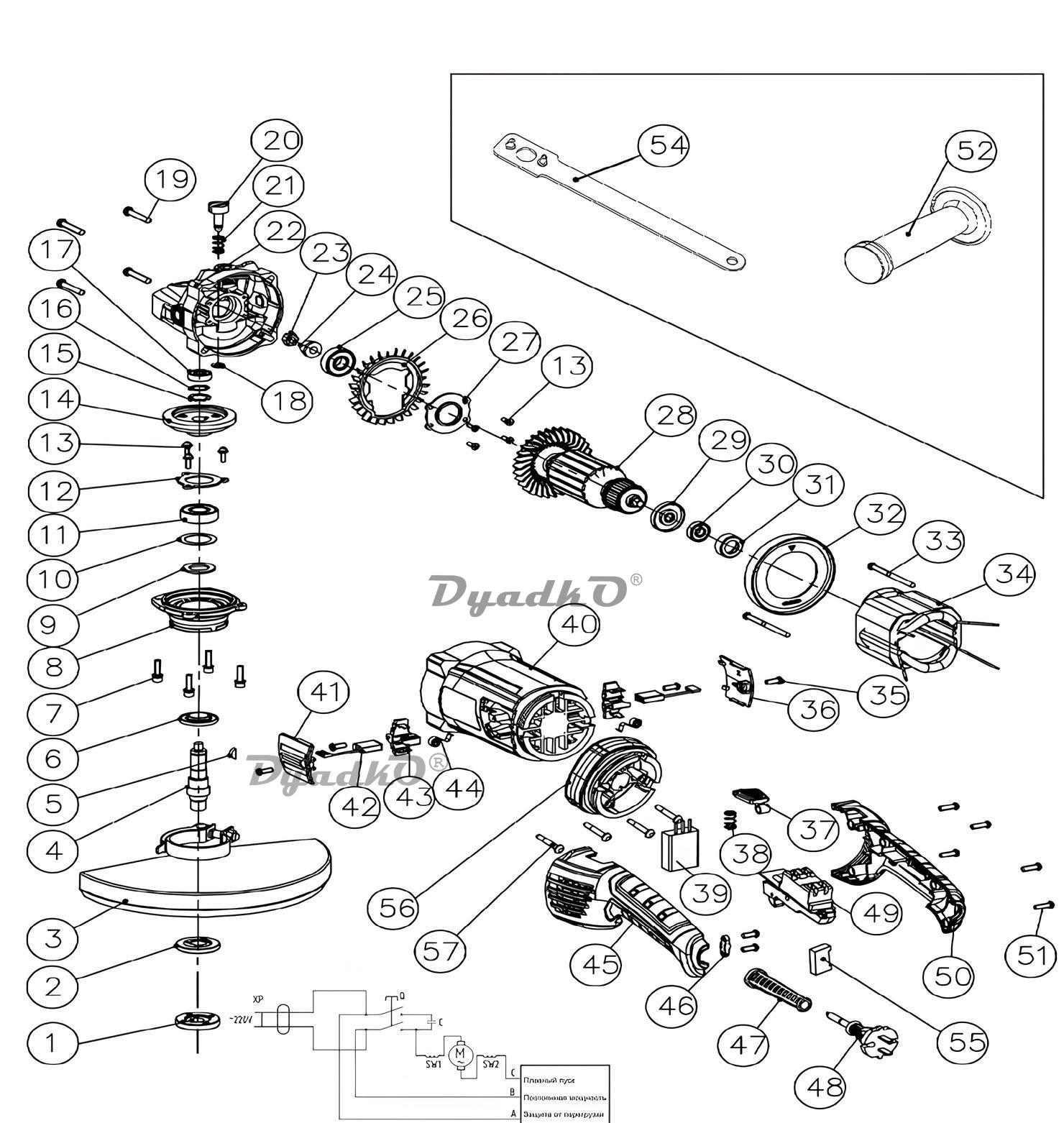
1
Гайка крепления шлифкруга
2
Фланец опорный шлифкруга
3
Кожух защитный
4
Шпиндель
5
Шпонка сегментная
6
Пыльник
7
Винт
8
Крышка редуктора
9
Кольцо уплотнительное
10
Прокладка подшипника
11
Подшипник
12
Крышка подшипника
13
Винт
14
Колесо зубчатое коническое
15
Шайба пружинная волновая
16
Кольцо стопорное
17
Подшипник
18
Шайба упорная
19
Винт самонарез
20
Кнопка фиксатора шпинделя
21
Пружина
22
Корпус редуктора
23
Гайка
24
Шестерня коническая
25
Подшипник
26
Дефлектор
27
Крышка подшипника
28
Якорь с вентилятором
29
Шайбы защитная
30
Подшипник
31
Втулка резиновая
32
Диафрагма
33
Винт самонарез
34
Статор
35
Винт саморез
36+41
Крышки щеткодержателя комплект лев+пр
37
Кнопка–фиксатор поворота ручки
38
Пружина фиксатора ручки
39
Блок управления
40
Корпус двигателя
42
Щетка электрическая (комплект -2шт.)
43
Щеткодержатель
44
Пружина спиральная
45+50
Рукоятка основная комплект лев+пр
46
Планка фиксации шнура
47
Трубка защитная
48
Шнур питания с вилкой
49
Выключатель
51
Винт саморез
52
Ручка боковая
53
Ключ шестигранный
54
Ключ специальный
55
Конденсатор
56
Кольцо виброзащитное
57
Винт саморез
А
Якорь с подшипником в сборе
В
Корпус редуктора с фиксатором в сборе
С
Крышка редуктора со шпинделем и колесом в сборе